一、視頻實拍
二、產品簡介
LXH-15E~20E系列水平容積式水表是一種小口徑規格的旋轉活塞式水表,其特點是計量等級高、小流量計量能力強、靈敏度高。國內目前主要用于流經管道內純凈水的計量。采用的是通過測量實際流量體積,積算出累計的用水流量。由于本款水表結構較復雜,成本較高且對水質要求較高,因而暫時無法在我國大范圍推廣使用。
三、產品類型
銅殼款

塑殼款

320度旋轉計數器款

四、產品特點
1.始動流量小,靈敏度較高。
2.機芯由計數機構及計量機構組成,計數機構由插銷、齒輪盒及計數器組成,計量機構由計量室、活塞轉子、隔板、襯套、撥叉及蓋板組成。
2.計量精度高該表各項技術指標符合ISO4064 C級或D級標準或R160、R200、R315標準。
3.干式計數器采用真空密封,可防冷凝霧化,能長期保持讀數的清晰。
4.有防磁功能,可有效防止外部磁場干擾。
5.內置過濾網及進水口濾網。
五、流量技術參數
| 公稱口徑 | 計量等級 | Qmax | Qn | Qt | Qmin | 最小讀數 | 最大讀數 |
| 最大流量 | 常用流量 | 分界流量 | 最小流量 | ||||
| DN(mm) | m3/h | L/h | m3 | ||||
| 15 | C | 3 | 1.5 | 22.5 | 15 | 0.00005 | 99999 |
| D | 17.2 | 11.2 | |||||
| 20 | C | 5 | 2.5 | 37.5 | 25 | 0.00005 | 99999 |
| D | 28.7 | 18.7 | |||||
| 公稱口徑 | 計量等級 | Q? | Q? | Q? | Q? | 最小讀數 | 最大讀數 |
| 過載流量 | 常用流量 | 分界流量 | 最小流量 | ||||
| DN(mm) | m3/h | L/h | m3 | ||||
| 15 | R160 | 3.125 | 2.5 | 25.00 | 15.625 | 0.00005 | 99999 |
| R200 | 20.00 | 12.5 | |||||
| R315 | 12.70 | 7.94 | |||||
| 20 | R160 | 5 | 4 | 40.00 | 25 | 0.00005 | 99999 |
| R200 | 32.00 | 20 | |||||
| R315 | 20.32 | 12.70 | |||||
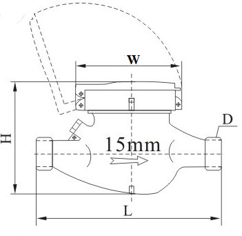
六、外形及規格尺寸

| 型號 | 公稱口徑 DN | 長 L | 長 L1 | 寬 W | 連接螺紋 |
| mm | D | ||||
| LXH-15E | 15 | 165/190 | 95 | 115 | G?B |
| LXH-20E | 20 | 195 | 110 | 121 | G1B |