一、產品簡介
LXLC-80E~200E(濕式)、LXLC-80F~200F(液封)系列水平螺翼式水表是一種不可拆卸式水表。使用了螺板形葉輪,又稱螺翼或翼輪。其工作量程寬,安裝維修方便,體積小,靈敏度低,因此主要應用于各種大口徑管道。其螺翼軸線與水流管道軸線成平行(或重合),其葉輪采用螺翼形狀,一般為水平安裝方式。
二、產品特點
1. 不可拆卸結構;
2. 濕式E型具有計量精度高,始動流量小的優勢;
3. 液封F型的計數器采用特殊液體封裝,防污性好,能長期保持讀數清晰;
4. 通用性強;
5. 結構緊湊;
6. 流通能力大,壓力損失??;
7. 直管段要求:U10,D5;
8. 可適用于冷水≤50℃或熱水≤90℃(除濕式與液封水表以外);
9. 水壓 ≤1MPa、1.6MPa、2.5Mpa或4.0Mpa。
三、流量技術參數
| 公稱口徑 DN | 計量等級 | 過載流量 Q? | 常用流量 Q? | 分界流量 Q? | 最小流量 Q? | 最小讀數 Min | 最大讀數 Max |
| mm | m3/h | m3 | |||||
| 80 | B | 80 | 40 | 8 | 1.2 | 0.002 | 999999 |
| 100 | B | 120 | 60 | 12 | 1.8 | 0.002 | 999999 |
| 125 | B | 200 | 100 | 20 | 3 | 0.002 | 999999 |
| 150 | B | 300 | 150 | 30 | 4.5 | 0.002 | 999999 |
| 200 | B | 500 | 250 | 50 | 7.5 | 0.002 | 999999 |
四、最大允許誤差
?、?低區 (Q?≤Q<Q?) 最大允許誤差為±5%
② 高區 (Q?≤Q≤Q?) 最大允許誤差為±2%

五、壓力損失曲線

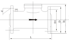
六、外形及規格尺寸

| 公稱口徑 DN | 長 L | 寬 B | 高 H | 連接螺紋 | ||
| mm | 法蘭外徑 D | 螺栓孔中心圓直徑 D1 | 連接螺栓 | |||
| 80 | 250 | 286 | 400 | 220 | 180 | 8xM16 |
| 100 | 250 | 301 | 400 | 250 | 210 | 8xM16 |
| 125 | 300 | 346 | 500 | 285 | 240 | 8xM20 |
| 150 | 350 | 373 | 500 | 340 | 295 | 8xM20 |
| 200 | 450 | 493 | 730 | 395 | 350 | 12xM20 |
七、水平與垂直螺翼式水表優點對比
1.水平螺翼式水表的優點:
?、賶毫p失小
②體積相對小,重量相對輕
?、劭刹鹦妒降谋砜梢詫崿F不停水進行安裝和維修。
④成本較低
2.垂直螺翼式水表的優點:
①量程比Q?/Q?相對較大
?、谥惫芏我筝^低
③靈敏度較好
?、艿瓦M高出,取消渦輪蝸桿傳動機構,由葉輪直接驅動計數器,耐久性能好
八、安裝與使用
1. 確定水平螺翼式水表的口徑,應先了解管道內流量大小,以經常使用流量接近常用流量為宜,不能單純以管道直徑確定水表的口徑。
2.水表的上游和下游可選擇安裝必要的直管段或與其等效的水流整流器;對于由彎管或離心泵所引起的水流旋轉情況,可在直管段前安裝整流器,以提高計量準確性。
3.新裝管通務必把管道內的石子,泥沙,麻絲等雜物沖洗干凈后方可安裝水表,以防止水表損壞或發生故障。新裝或更換水表后通水,應該緩慢打開水表的進水閥門,防止由于管道內空氣快速流經水表造成水表部件損壞。
4.水表與上下游直管段要同軸水平安裝,密封墊圈不得突入管內,以免引起計量不準。
5.安裝地點應避免暴曬,冰凍,污染和水淹,以免影響拆裝和抄表。
6.水表安裝應有旁路,以保證拆裝水表時不停水,水表安裝要注意水流與水表表殼上的箭頭方向保持一致,以防反裝,水表上游和下游要安裝閥門,使用時全部打開。
7.對于DN100以上的此類水表,應留出適當的通道以便將水表運入工作位置或移走。此外,工作位置周圍應留出適當空間以便安裝起重裝置。
8.在非掩埋的情況下,水表及其相關管件的上方至少留有700mm的自由空間。
9.為防止水表受管路的沖擊或振動,應在安裝前清除引起振動的可能因素,必要時在管道上安裝柔性接頭,對于DN150以上水表應使用軟墊將底座和固定裝置與地基隔離。
10.150~200mm口徑大小的水平螺翼式水表的抄讀讀數應是字輪所顯示讀數的10倍。(水表的度盤上已標明“X10”)
九.常見故障及解決方法:
1.出水量減少:可能是水壓偏低,過濾器濾網堵塞,需清洗水表與過濾器。
2.水表停走:可能是異物卡住葉輪,零件磨損或損壞,需更換水表零部件。
如果您正在使用的水平螺翼式水表有上述故障,一定要找有資質的人員進行處理,并且需要重新檢定后才可以安裝使用。